Journal of South China University of Technology(Natural Science Edition) ›› 2026, Vol. 54 ›› Issue (2): 133-144.doi: 10.12141/j.issn.1000-565X.250055
• Architecture & Civil Engineering • Previous Articles Next Articles
HU Taotao1,2(
), LIU Kemeng1, ZHAO Yulong1, LI Hao1, GAO Xianchao1, WANG Lei2,3(
)
Received:2025-03-05
Online:2026-02-25
Published:2025-07-18
Contact:
WANG Lei
E-mail:tthu@chd.edu.cn;wl2013@xust.edu.cn
Supported by:CLC Number:
HU Taotao, LIU Kemeng, ZHAO Yulong, LI Hao, GAO Xianchao, WANG Lei. Damage Creep Constitutive Model of Carbonaceous Slate with Different Moisture Content[J]. Journal of South China University of Technology(Natural Science Edition), 2026, 54(2): 133-144.
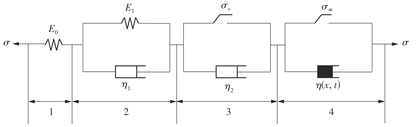
Table 1
Identification parameter results of the improved Nishihara model for carbonaceous slate with different moisture contents"
| 含水率/% | 荷载水平/MPa | E0/GPa | E1/GPa | η1/(GPa‧h) | η2/(GPa‧h) | η(x,t)/(GPa‧h) | x | R2 |
|---|---|---|---|---|---|---|---|---|
| 0.00 | 50 | 48.11 | 111.16 | 4.89 | 0.938 | |||
| 70 | 44.30 | 315.96 | 10.38 | 0.852 | ||||
| 90 | 41.50 | 293.60 | 14.98 | 953.44 | 0.982 | |||
| 100 | 38.61 | 332.34 | 13.07 | 1 625.96 | 0.951 | |||
| 110 | 36.60 | 358.19 | 12.39 | 1 763.88 | 0.981 | |||
| 120 | 35.21 | 537.22 | 23.66 | 1 638.83 | 0.963 | |||
| 130 | 34.45 | 624.69 | 24.78 | 1 676.64 | 12 583.19 | 25.65 | 0.982 | |
| 0.34 | 40 | 15.59 | 22.52 | 9.81 | 0.951 | |||
| 60 | 16.87 | 61.78 | 7.56 | 0.946 | ||||
| 80 | 17.61 | 67.19 | 9.73 | 0.929 | ||||
| 100 | 18.82 | 89.93 | 8.96 | 1 306.29 | 0.950 | |||
| 0.78 | 40 | 13.17 | 14.44 | 2.91 | 0.975 | |||
| 60 | 14.01 | 57.35 | 7.92 | 0.993 | ||||
| 80 | 14.38 | 67.12 | 11.52 | 0.949 | ||||
| 100 | 15.32 | 78.26 | 10.25 | 1 208.51 | 0.987 | |||
| 1.24 | 40 | 12.90 | 13.74 | 4.52 | 0.959 | |||
| 60 | 11.08 | 46.70 | 4.80 | 0.897 | ||||
| 80 | 11.42 | 57.89 | 5.87 | 979.71 | 0.943 | |||
| 100 | 11.70 | 44.14 | 4.04 | 767.21 | 5 839.48 | 11.56 | 0.998 |
Table 4
Mean values of creep parameters of the Nishihara model improved by considering water-damaged carbonaceous slate under different moisture contents"
| ω/% | E0/GPa | E1/GPa | η1/(GPa‧h) | η2/(GPa‧h) |
|---|---|---|---|---|
| 0.00 | 39.80 | 369.00 | 14.65 | 1 527.38 |
| 0.34 | 17.45 | 60.59 | 9.89 | 1 356.79 |
| 0.78 | 13.12 | 47.42 | 6.85 | 1 136.02 |
| 1.24 | 12.65 | 47.20 | 5.46 | 905.21 |
| [1] | ZHAO J, DUAN S, CHEN B,et al .Failure mechanism of rock masses with complex geological conditions in a large underground cavern:a case study[J].Soil Dynamics and Earthquake Engineering,2024,177:108439/1-14. |
| [2] | CHEN J, HU T, HU X,et al .Study on the influence of crack depth on the safety of tunnel lining structure[J].Tunnelling and Underground Space Technology,2024,143:105470/1-16. |
| [3] | 包卫星,卢汉青,郭强,等 .新疆高寒炭质板岩隧道围岩冻融劣化特性研究[J].工程地质学报,2023,31(4):1213-1224. |
| BAO Weixing, LU Hanqing, GUO Qiang,et al .Freeze-thaw degradation characteristics of carbonaceous slate rock surrounding high cold tunnel in Xinjiang[J].Journal of Engineering Geology,2023,31(4):1213-1224. | |
| [4] | 李峰 .高地应力构造破碎带隧道大变形灾变机制及控制技术研究[J].铁道科学与工程学报,2021,18(5):1222-1230. |
| LI Feng .Study on the formation mechanism and large deformation control of tunnel in structural fracture zone with high in-situ stress[J].Journal of Railway Science and Engineering,2021,18(5):1222-1230. | |
| [5] | 陈秋南,曾奥,罗鹏,等 .圆宝山隧道炭质板岩大变形段初期支护结构受力特性研究[J].应用力学学报,2020,37(2):810-817. |
| CHEN Qiunan, ZENG Ao, LUO Peng,et al .Study on mechanical characteristics of initial supporting structure of large deformation section of carbonaceous slate in Yuanbaoshan tunnel[J].Chinese Journal of Applied Mechanics,2020,37(2):810-817. | |
| [6] | 张永兴,王更峰,周小平,等 .含水炭质板岩非线性蠕变损伤模型及应用[J].土木建筑与环境工程,2012,34(3):1-9. |
| ZHANG Yongxing, WANG Gengfeng, ZHOU Xiaoping,et al .Nonlinear creep damage model of water bearing carbonaceous slate and its application[J].Journal of Civil and Environmental Engineering,2012,34(3):1-9. | |
| [7] | 王更峰,张永兴,熊晓晖,等 .深埋大变形隧道炭质板岩蠕变特性试验[J].公路交通科技,2012,29(9):95-102. |
| WANG Gengfeng, ZHANG Yongxing, XIONG Xiaohui,et al .Experiment of creep characteristics of carbonaceous slate of deep-buried tunnel with large deformation[J].Journal of Highway and Transportation Research and Development,2012,29(9):95-102. | |
| [8] | 宋勇军,雷胜友,邹翀,等 .干燥与饱水状态下炭质板岩蠕变特性研究[J].地下空间与工程学报,2015,11(3):619-625,664. |
| SONG Yongjun, LEI Shengyou, ZOU Chong,et al .Study on creep characteristics of carbonaceous slates under dry and saturated states[J].Chinese Journal of Underground Space and Engineering,2015,11(3):619-625,664. | |
| [9] | 李二强,冯吉利,张龙飞,等 .水-岩及风化作用下层状炭质板岩巴西劈裂试验研究[J].岩土工程学报,2021,43(2):329-337. |
| LI Er-qiang, FENG Ji-li, ZHANG Long-fei,et al .Brazilian tests on layered carbonaceous slate under water-rock interaction and weathering[J].Chinese Journal of Geotechnical Engineering,2021,43(2):329-337. | |
| [10] | 胡涛涛,王栋,康志斌,等 .不同软弱夹层倾角炭质板岩的巴西拉伸试验及数值模拟研究[J].应用力学学报,2025,42(2):347-357. |
| HU Taotao, WANG Dong, KANG Zhibin,et al .Brazilian tensile strength test and numerical simulation study of carbonaceous slate with different soft interbedded dips[J].Chinese Journal of Applied Mechanics,2025,42(2):347-357. | |
| [11] | 胡涛涛,康志斌,陈建勋,等 .基于互层岩体的非定常黏弹塑性蠕变模型及有限元分析[J].重庆大学学报,2023,46(10):118-126. |
| HU Taotao, KANG Zhibin, CHEN Jianxun,et al .Non-constant viscoelastic-plastic creep model and finite element analysis based on interbedded rock mass[J].Journal of Chongqing University,2023,46(10):118-126. | |
| [12] | 任思远,倪万魁,陈军廷,等 .基于分数阶理论的软泥岩一维次固结蠕变模型[J].吉林大学学报(地球科学版),2024,54(1):242-252. |
| REN Siyuan, NI Wankui, CHEN Junting,et al .One-dimensional secondary consolidation creep constitutive model of soft mudstone based on fractional order theory[J].Journal of Jilin University (Earth Science Edition),2024,54(1):242-252. | |
| [13] | 陈有亮,陈奇键,肖鹏,等 .考虑水化学损伤的岩石真三轴蠕变本构模型[J].力学学报,2023,55(1):159-168. |
| CHEN Youliang, CHEN Qijian, XIAO Peng,et al .A true triaxial creep constitutive model for rock considering hydrochemical damage[J].Chinese Journal of Theoretical and Applied Mechanics,2023,55(1):159-168. | |
| [14] | 王宇,夏厚磊,邓华锋,等 .含水泥岩卸荷蠕变数值模拟及劣化机制研究[J].岩石力学与工程学报,2024,43(7):1621-1635. |
| WANG Yu, XIA Houlei, DENG Huafeng,et al .Numerical simulation of unloading creep and deterioration mechanism of water bearing mudstone[J].Chinese Journal of Rock Mechanics and Engineering,2024,43(7):1621-1635. | |
| [15] | 刘小军,刘新荣,王铁行,等 .考虑含水劣化效应的浅变质板岩蠕变本构模型研究[J].岩石力学与工程学报,2014,33(12):2384-2389. |
| LIU Xiaojun, LIU Xinrong, WANG Tiehang,et al .Creep model of low-grade metamorphic slate considering moisture degradation effect[J].Chinese Journal of Rock Mechanics and Engineering,2014,33(12):2384-2389. | |
| [16] | 骆祚森,朱作祥,苏卿,等 .基于平行黏结模型的水-岩作用下砂岩蠕变模拟及损伤机制研究[J].岩土力学,2023,44(8):2445-2457. |
| LUO Zuo-sen, ZHU Zuo-xiang, SU Qing,et al .Creep simulation and deterioration mechanism of sandstone under water-rock interaction based on parallel bond model[J].Rock and Soil Mechanics,2023,44(8):2445-2457. | |
| [17] | CHEN F, MIAO C, JIANG M,et al .Experimental and numerical study of water-rock coupling creep under uniaxial compression[J].Sustainability,2023,20(15):14718/1-15. |
| [18] | 王更峰 .炭质板岩蠕变特性研究及其在隧道变形控制中的应用[D].重庆:重庆大学,2012. |
| [19] | 周家文,徐卫亚,杨圣奇 .改进的广义Bingham岩石蠕变模型[J].水利学报,2006,37(7):827-830,837. |
| ZHOU Jia-wen, XU Wei-ya, YANG Sheng-qi .Improved generalized Bingham creep model for rock[J].Journal of Hydraulic Engineering,2006,37(7):827-830,837. | |
| [20] | 徐国文,何川,胡雄玉,等 .基于分数阶微积分的改进西原模型及其参数智能辨识[J].岩土力学,2015,36():132-138. |
| XU Guo-wen, HE Chuan, HU Xiong-yu,et al .A modified Nishihara model based on fractional calculus theory and its parameter intelligent identification[J].Rock and Soil Mechanics,2015,36(Supp.2):132-138. | |
| [21] | 李忠君,盛冬发,程旭,等 .考虑时效损伤的岩石非线性蠕变模型研究[J].力学季刊,2022,43(4):835-843. |
| LI Zhongjun, SHENG Dongfa, CHENG Xu,et al .Study of nonlinear creep model for rocks considering time-dependent damage[J].Chinese Quarterly of Mechanics,2022,43(4):835-843. |
| [1] | ZHOU Jiehang, DU Longyu, LAI Jianzhong, YIN Xuexiang, YANG Mingyu. A Simulation Model of 3D Printed Concrete for Penetration Resistance [J]. Journal of South China University of Technology(Natural Science Edition), 2025, 53(8): 137-148. |
| [2] | CAO Jixing, HAN Mengfan, BAO Chao, HE Haijie, LIU Yingyang. Lateral Resistance Performance of Damaged Timber Frames with Two Reinforcement Methods [J]. Journal of South China University of Technology(Natural Science Edition), 2025, 53(2): 107-114. |
| [3] | QIANG Xuhong, TIAN Weixiao, JIANG Xu, et al. Intelligent Method for Identifying Damage of Steel Members with Localized Random Pitting Based on Convolutional Neural Network [J]. Journal of South China University of Technology(Natural Science Edition), 2024, 52(11): 43-54. |
| [4] | JIANG Dongqi, WU Hao, FAN Jin. Study on Whole-Process Mechanical Behavior of Novel Spread Slab Beam Bridges [J]. Journal of South China University of Technology(Natural Science Edition), 2024, 52(1): 38-51. |
| [5] | DAI Gonglian, CHEN Kun, GE Hao, et al. Research on Numerical Simulation of Rail Non-contact Nondestructive Testing Technology [J]. Journal of South China University of Technology(Natural Science Edition), 2023, 51(4): 44-52. |
| [6] | HUANG Juan, LONG Haofeng, ZHOU Shijie, et al. Dynamic Damage Characteristics of Large Section Tunnel Lining Under Seismic Load [J]. Journal of South China University of Technology(Natural Science Edition), 2023, 51(4): 124-134. |
| [7] | XIN Xin, REN Zunsong. Mortar Void Identification Based on the Improved LMD with Dynamic Moving Step [J]. Journal of South China University of Technology(Natural Science Edition), 2022, 50(7): 98-107. |
| [8] | ZHANG Junhao, CHENG Xiuquan, XIA Qinxiang, et al. Study on Residual Stress Control of Damaged Aircraft Component Based on Non-uniform Overlap Ratio Laser Shock Peening [J]. Journal of South China University of Technology(Natural Science Edition), 2022, 50(3): 73-79. |
| [9] | JIANG Wangtao, JIANG Haiqiang, MA Qinguo, et al. Unified Elasto-Plastic Solution for Cold Regions Tunnel Considering Damage and Non-Uniform Frost Heave [J]. Journal of South China University of Technology (Natural Science Edition), 2022, 50(1): 69-79, 100. |
| [10] | TIAN Li LI Jie LI Menghui. Damage of Concrete Sandwich Wall Subjected to Synergistic Effects of Blasts and Fragments [J]. Journal of South China University of Technology(Natural Science Edition), 2021, 49(8): 53-64. |
| [11] | DONG Yiqing WANG Dalei PAN Yue LI Xiaoya. Standardized batch-processing method for manual-marked apparent damage data of structures [J]. Journal of South China University of Technology(Natural Science Edition), 2021, 49(12): 113-123. |
| [12] | ZHANG Yujian, LUO Yongfeng, GUO Xiaonong, et al. Seismic Damage Assessment Method for Spatial Grid Structures Considering Multi-modal Contribution [J]. Journal of South China University of Technology (Natural Science Edition), 2021, 49(10): 59-69. |
| [13] | HUANG Zhenyuan, CHENG Bin, ZHAO Yameng, et al. Study on the Impact Resistance of Shot-Cut Carbon Fiber Reinforced Nylon 66 Sheets [J]. Journal of South China University of Technology (Natural Science Edition), 2020, 48(5): 118-124. |
| [14] | LI Siqi YU Tianlai ZHANG Ming. Comparative Study of the Vulnerability of Canonical Structures in Different Intensity Regions [J]. Journal of South China University of Technology (Natural Science Edition), 2020, 48(3): 67-75,90. |
| [15] | ZHANG Zifan LI Qiang LI Xiang ZHANG Chaojie. Reliability of Subway Bogies Based on Probability Cumulative Damage and Wiener Process [J]. Journal of South China University of Technology(Natural Science Edition), 2019, 47(7): 90-98. |
| Viewed | ||||||
|
Full text |
|
|||||
|
Abstract |
|
|||||