Journal of South China University of Technology(Natural Science Edition) ›› 2025, Vol. 53 ›› Issue (8): 87-99.doi: 10.12141/j.issn.1000-565X.240443
• Architecture & Civil Engineering • Previous Articles Next Articles
LI Tao, HE Zhengbo, WEI Guozheng, CAO Hongyou
Received:2025-03-12
Online:2025-08-25
Published:2025-03-12
Contact:
曹鸿猷(1986—),男,博士,教授,主要从事土木工程新材料和大跨度缆索承重桥梁结构分析理论。
E-mail:caohongyou@whut.edu.cn
About author:李涛(1984—),男,博士,副教授,主要从事组合结构设计研究和钢结构疲劳断裂性能研究。E-mail: scealitao@whut.edu.cn;
Supported by:CLC Number:
LI Tao, HE Zhengbo, WEI Guozheng, CAO Hongyou. Study on Axial Compression Performance of UHPC Fully Encased Q690 High-Strength Steel Composite Stub Columns[J]. Journal of South China University of Technology(Natural Science Edition), 2025, 53(8): 87-99.
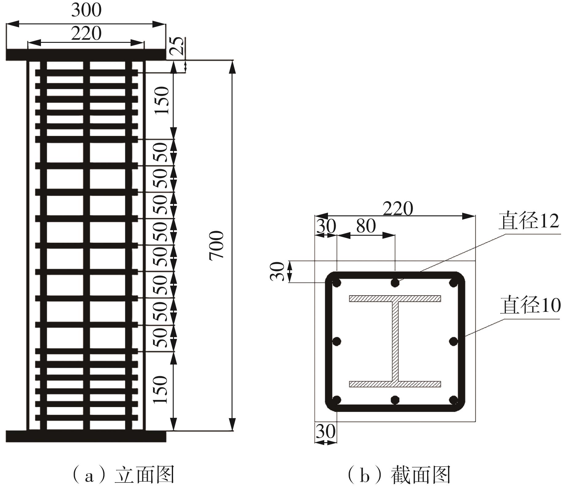
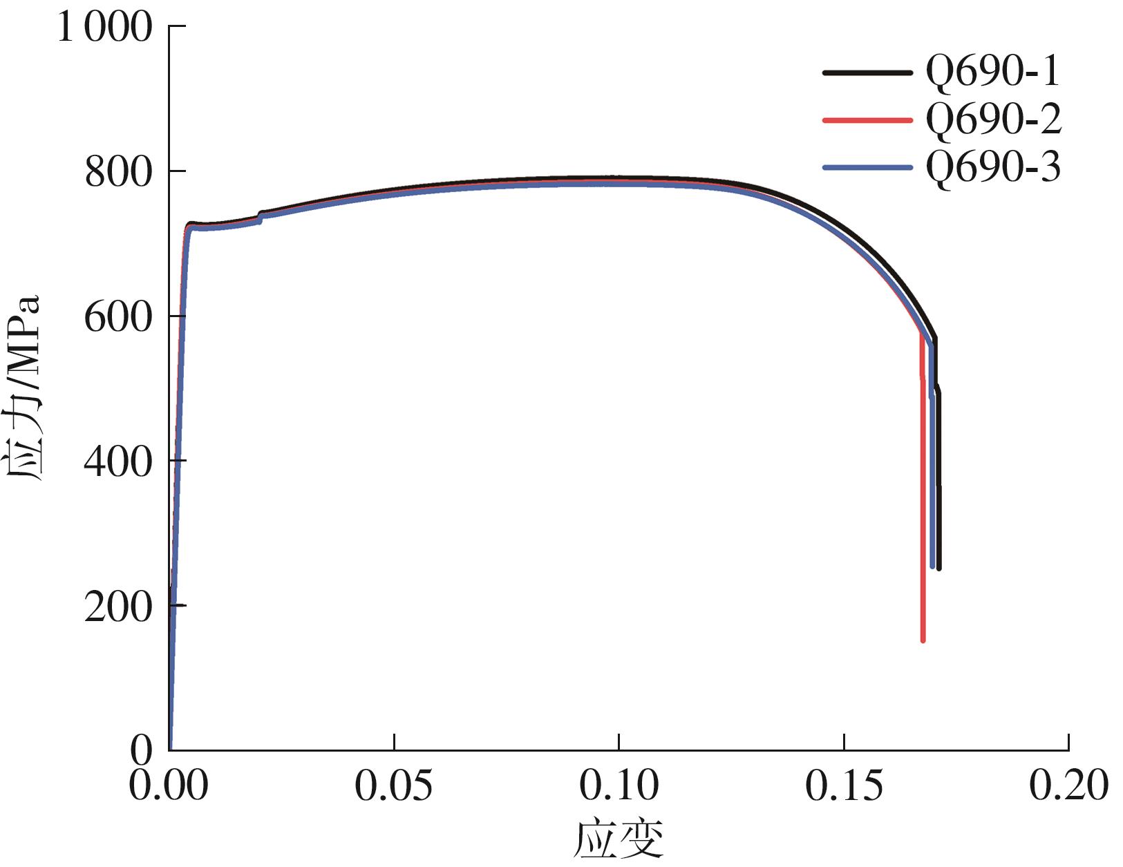
Table 6
Steel mechanical properties"
试件 编号 | 屈服 强度/MPa | 平均屈服 强度/MPa | 屈服 应变 | 平均 屈服应变 | 极限抗拉 强度/MPa | 平均极限 抗拉强度/MPa | 弹性 模量/MPa | 平均弹性 模量/MPa |
|---|---|---|---|---|---|---|---|---|
| Q690-1 | 721 | 720 | 0.003 30 | 0.003 33 | 790 | 786 | 218 320 | 216 833 |
| Q690-2 | 723 | 0.003 22 | 785 | 224 737 | ||||
| Q690-3 | 717 | 0.003 46 | 782 | 207 443 | ||||
| Q355-1 | 374 | 379 | — | — | — | — | — | — |
| Q355-2 | 379 | — | — | — | ||||
| Q355-3 | 383 | — | — | — | ||||
| Φ12-1 | 443 | 453 | — | — | 609 | 611 | — | — |
| Φ12-2 | 441 | — | 609 | — | ||||
| Φ12-3 | 475 | — | 615 | — | ||||
| Φ10-1 | 439 | 468 | — | — | 600 | 629 | — | — |
| Φ10-2 | 478 | — | 653 | — | ||||
| Φ10-3 | 462 | — | 633 | — |
Table 8
Comparison of the ultimate bearing capacity of each specimen between testing results and prediction values"
| 试件编号 | N1) Test /kN | NEC4 /kN | NTest /NEC4 | NAISC /kN | NTest /NAISC | NJGJ /kN | NTest /NJGJ | NPre /kN | NTest /NPre |
|---|---|---|---|---|---|---|---|---|---|
| H50-SF0-N | 6 561 | 6 046 | 1.09 | 5 982 | 1.10 | 6 009 | 1.09 | 6 219 | 1.05 |
| H50-SF0 | 6 185 | 6 046 | 1.02 | 5 982 | 1.03 | 6 009 | 1.03 | 6 219 | 0.99 |
| H100-SF0 | 6 208 | 6 046 | 1.03 | 5 982 | 1.04 | 6 009 | 1.03 | 6 219 | 0.99 |
| H50-SF2 | 6 882 | 6 012 | 1.14 | 5 948 | 1.16 | 5 972 | 1.15 | 6 183 | 1.06 |
| H100-SF2 | 6 624 | 6 012 | 1.10 | 5 948 | 1.13 | 5 972 | 1.11 | 6 183 | 1.11 |
| L50-SF0 | 6 608 | 6 052 | 1.09 | 6 002 | 1.10 | 6 013 | 1.10 | 6 224 | 1.06 |
| L50-SF2 | 6 637 | 6 018 | 1.10 | 5 968 | 1.11 | 5 977 | 1.11 | 6 188 | 1.07 |
| 平均值方正汇总行2) | — | — | 1.08 | — | 1.10 | — | 1.09 | — | 1.05 |
| [1] | WANG Q, ZHAO D, GUAN P .Experimental study on the strength and ductility of steel tubular columns filled with steel-reinforced concrete[J].Engineering Structures,2004,26(7):907-915. |
| [2] | 刘阳,郭子雄,欧阳文俊,等 .核心型钢混凝土柱抗震性能及轴压比限值试验研究[J].土木工程学报,2010,43(6):1-10. |
| LIU Yang, GUO Zi-xiong, OUYANG Wen-jun,et al .Experimental study of the seismic behavior and axial compression ration limit of CSRC columns[J].Journal of Civil Engineering,2010,43(6):1-10. | |
| [3] | ZHU M, LIU J, WANG Q,et al .Experimental research on square steel tubular columns filled with steel-reinforced self-consolidating high-strength concrete under axial load[J].Engineering Structures,2010,32(8):2278-2286. |
| [4] | 薛建阳,轴超锋,刘祖强,等 .型钢混凝土异形柱损伤行为及性能量化指标研究[J].土木工程学报,2020,53(2):1-11. |
| XUE Jianyang, ZHOU Chaofeng, LIU Zuqiang,et al .Research on damage behavior and quantitative indexes for steel reinforced concrete column with irregular section [J].Journal of Civil Engineering,2020,53(2): 1-11. | |
| [5] | 邵旭东,樊伟,黄政宇 .超高性能混凝土在结构中的应用[J].土木工程学报,2021,54(1):1-14. |
| SHAO Xudong, FAN Wei, HUANG Zhengyu .Application of ultra high performance concrete in engineering structures[J].Journal of Civil Engineering,2021,54(1):1-14. | |
| [6] | 李笑,胡志坚,贺岩 .PC梁桥负弯矩区UHPC-NC结构的抗裂性能[J].华南理工大学学报(自然科学版),2022,50(11):35-43. |
| LI Xiao, HU Zhijian, HE Yan .Anti-cracking property of UHPC-NC structure in the negative moment zone of PC beam bridge[J].Journal of South China University of Technology (Natural Science Edition),2022,50(11):35-43. | |
| [7] | 石雪飞,高毅,曹胜会 .预制安装桥面板UHPC接缝的受力性能试验研究[J].华南理工大学学报(自然科学版),2020,48(12):82-90. |
| SHI Xuefei, GAO Yi, CAO Shenghui .Experimental study on mechanical behavior of UHPC joint of precast bridge deck[J].Journal of South China University of Technology (Natural Science Edition),2020,48(12):82-90. | |
| [8] | 刘祖强,周志明,薛建阳,等 .高强型钢超高性能混凝土短柱轴压性能试验及其有限元分析[J].工程力学,2024,41(9):211-227. |
| LIU Zuqiang, ZHOU Zhiming, XUE Jianyang,et al .Experimental study and finite element analysis on axial compression performance of high strength steel reinforced ultra-high performance concrete short column[J].Engineering Mechanics,2024,41(9):211-227. | |
| [9] | LAI B L, LIEW J Y R, HOANG A L .Behavior of high strength concrete encased steel composite stub columns with C130 concrete and S690 steel[J].Engineering Structures,2019,200:109743/1-20. |
| [10] | KIM C S, PARK H G, CHUNG K S,et al .Eccentric axial load testing for concrete-encased steel columns u-sing 800 MPa steel and 100 MPa concrete[J].Journal of Structures Engineering,2012,138(8):1019-1031. |
| [11] | 王钧,苏宇,赵金友 .高强H形钢混凝土组合柱轴压性能研究[J].建筑结构学报,2022,43(9):191-200. |
| WANG Jun, SU Yu, ZHAO Jinyou .Study on axial compression performance of high strength H-section steel reinforced concrete composite columns[J].Journal of Building Structures,2022,43(9):191-200. | |
| [12] | DONG H, ZHU J, CAO W,et al .Axial compressive behavior of mega steel-reinforced high-strength concrete columns with different steel sections[J].Structures,2023,48:1158-1174. |
| [13] | DONG H, ZHU J, CAO W,et al .Structural beha-vior of mega steel-reinforced high-strength concrete rec-tangular columns under axial compression[J].Journal of Building Engineering,2022,61:105272/1-21. |
| [14] | 杜咏,周汇凯, LIEW J Y R .超高强混凝土型钢组合长柱静力性能试验研究[J].建筑结构学报,2022,43(2):147-156. |
| DU Yong, ZHOU Huikai, LIEW J Y R .Experimental study on behaviours of ultra-high strength concrete encased steel columns under static load[J].Journal of Building Structures,2022,43(2):147-156. | |
| [15] | Eurocode 4:design of composite steel and concrete structures-part 1-1:general rules and rules for buil-dings:EN 1994-1-1 [S]. |
| [16] | Specification for structural steel buildings:ANSI/AI [S]. |
| [17] | 组合结构设计规范: [S]. |
| [18] | Building code requirement for structural concrete and commentary:ACI 318-08 [S]. |
| [19] | LAI B L, LIEW J Y R .Investigation on axial load-shorting behaviour of high strength concrete encased steel composite section[J].Engineering Structures,2021,227:111401/1-17. |
| [20] | 混凝土结构设计规范: [S]. |
| [21] | RAZVI S R, SAATCIOGLU M .Strength and deformability of confined high-strength concrete columns[J].ACI Structure Journal,1994,91(6):678-687. |
| [22] | Concrete-ultra-high performance fiber-reinforced concrete-specifications performance,production and conformity: [S]. |
| [23] | 混凝土物理力学性能试验方法标准: [S]. |
| [24] | Testing hardened concrete-part 13:determination of secant modulus of elasticity in compression: [S]. |
| [25] | 金属材料室温拉伸试验方法: [S]. |
| [26] | LAI B L, LIEW J Y R, XIONG M X .Experimental study on high strength concrete encased steel composite short columns[J].Construction and Building Materials,2019,228:116640/1-15. |
| [27] | SHARMA U K, BHARGAVA P,S.K.KAUSHIK .Behavior of confined high strength concrete columns under axial compression[J].Journal of Advanced Concrete Technology,2006,3(2):267-281. |
| [28] | SHIN H O, MIN K H, MITCHELL D .Confinement of ultra-high-performance fiber reinforced concrete columns[J].Composite Structures,2017,176:124-142. |
| [1] | FAN Xueming, ZHOU Xiaopeng, YE Xiaohang, ZHAO Kun. Cost-Performance Analysis of Thin-Layer UHPC Encased I-Beam Shear Resistance [J]. Journal of South China University of Technology(Natural Science Edition), 2025, 53(4): 40-49. |
| [2] | KANG Lan, CHEN Zonglin, LIN Yiwei . Axial Compression Behavior of High-Strength Circular Steel Tube Confined High-Strength Steel Reinforced Concrete Short Columns [J]. Journal of South China University of Technology(Natural Science Edition), 2022, 50(7): 1-12. |
| [3] | LI Xiao, HU Zhijian, HE Yan. Anti-Cracking Property of UHPC-NC Structure in the Negative Moment Zone of PC Beam Bridge [J]. Journal of South China University of Technology(Natural Science Edition), 2022, 50(11): 35-43. |
| Viewed | ||||||
|
Full text |
|
|||||
|
Abstract |
|
|||||